- 首頁
-
返回(huí)
技術參數(shu)
産品型号:H41X
公稱壓(yā)力:PN1.0~1.6MPa
公稱通經:DN40~600mm
适用(yong)介質日韩乱码转码🔞2021芒果🚩:水及弱腐蝕(shi)性流體
适用溫度(dù):0~80℃
法蘭标準:GB/T 17241.6、GB/T 9113
試驗标(biāo)準:GB/T 13927、API 598
産品概述
節能(neng)消聲止回閥适用(yong)于給排水管道,閥(fa)瓣采用進口兩端(duan)中心軸導向,啓閉(bì)靈活,可水平安裝(zhuāng)或垂直✂️安裝。閥瓣(ban)采用彈簧加載,其(qí)快速關閉能有效(xiao)的消除水錘,密封(fēng)性能好,關🐅閉無噪(zào)聲。具有🔅體積小、重(zhòng)量輕、流體阻力小(xiao),耐疲勞、壽命長等(deng)優點。
結構特點
1、閥(fa)體内腔采用流線(xian)型設計,流量按标(biāo)準設計,減少急彎(wān)、拐角、尖📧凸,從而減(jian)少流體的阻力。
2、閥(fa)瓣前後設計爲錐(zhui)形,使流體阻力大(dà)大減少,又減🍉少了(le)因紊流所産生的(de)噪聲。
3、閥瓣關閉的(de)行程短,隻有公稱(chēng)通徑的1/4,減少了閥(fá)瓣㊙️的關閉時間,減(jiǎn)少了水錘的産生(sheng)。
4、閥使用彈簧加速(su)閥瓣關閉速度、降(jiàng)低水錘産生。
5、閥瓣(bàn)爲空心薄殼結構(gòu),減少閥瓣的慣性(xing),不但使閥瓣關閉(bì)🌐時能迅速啓動,也(yě)減少了關閉時的(de)沖擊噪聲。
6、本産品(pǐn)可以垂直、水平、傾(qing)斜以及任何角度(du)安裝。
7、本産品結構(gou)緊湊、零件少、體積(ji)少、重量輕、外型美(mei)觀。
8、内外表面均噴(pen)塗環保塗層,确保(bǎo)産品的防腐蝕及(ji)安全性❌。
主要性能(néng)規範
| 型 号 | 公稱壓(ya)力 | 殼體試驗壓力(lì) | 密封試驗壓力 | 适(shì)用介質 | 工作溫度(dù) |
| H41X一10 | 1.0MPa | 1.5 MPa | 1.1 MPa | 水及弱腐蝕性(xìng)流體 | 0~80℃ |
| H41X一16 | 1.6 MPa | 2.4 MPa | 1.76 MPa | 水及弱腐(fǔ)蝕性流體 | 0~80℃ |
主要零(líng)件材料
| 型 号 | 閥 體(ti) | 密封口 | 彈簧 |
| H41X-10 | 鑄鐵(tie)或不鏽鋼 | 丁腈橡(xiang)膠(NBR) | 不鏽鋼絲ICrl8Ni9Ti |
| H41X-16 | 鑄鋼(gang)或不鏽鋼 | 丁腈橡(xiàng)膠(NBR) | 不鏽鋼絲IC rl8Ni9Ti |
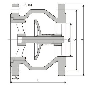
主要(yao)外形連接尺寸
| 公(gōng)稱壓力 | 公稱通徑(jing) | 尺 寸(mm) | ||||
| L | D | K | b | Z一Φd | ||
| 1.0 | 40 | 112 | 145 | 110 | 18 | 4-18 |
| 50 | 120 | 160 | 125 | 20 | 4-18 | |
| 65 | 130 | 180 | 145 | 20 | 4-18 | |
| 80 | 150 | 195 | 160 | 22 | 8-18 | |
| 100 | 165 | 215 | 80 | 24 | 8-18 | |
| 125 | 190 | 245 | 210 | 26 | 8-18 | |
| 150 | 210 | 280 | 240 | 26 | 8-22 | |
| 200 | 255 | 335 | 295 | 28 | 8-22 | |
| 250 | 310 | 390 | 350 | 28 | 11-30 | |
| 300 | 320 | 440 | 400 | 28 | 11-30 | |
| 350 | 380 | 500 | 460 | 30 | 16-22 | |
| 400 | 405 | 565 | 515 | 32 | 16-26 | |
| 450 | 430 | 615 | 565 | 32 | 20-26 | |
| 500 | 450 | 670 | 620 | 34 | 20-26 | |
| 600 | 510 | 780 | 725 | 36 | 20-30 | |
| 1.6 | 40 | 112 | 145 | 110 | 18 | 4-18 |
| 50 | 120 | 160 | 125 | 20 | 4-18 | |
| 65 | 130 | 180 | 145 | 20 | 4-18 | |
| 80 | 150 | 195 | 160 | 22 | 8-18 | |
| 100 | 165 | 215 | 180 | 24 | 8-18 | |
| 125 | 190 | 245 | 210 | 26 | 8-18 | |
| 150 | 210 | 280 | 240 | 26 | 8-22 | |
| 200 | 255 | 335 | 295 | 30 | 11-30 | |
| 250 | 310 | 405 | 355 | 32 | 11-30 | |
| 300 | 320 | 460 | 410 | 32 | 11-30 | |
| 350 | 380 | 520 | 470 | 36 | 16-26 | |
| 400 | 405 | 580 | 525 | 38 | 16-30 | |
| 450 | 430 | 640 | 585 | 40 | 20-30 | |
| 500 | 450 | 715 | 650 | 42 | 20-33 | |
| 600 | 510 | 840 | 770 | 48 | 20-36 | |
蘇公網(wǎng)安備 32010202011315号
•
•
•