産品詳情(qíng)
産(chǎn)品特點
1、閥門采用(yong)中線型密封結構(gòu)設計,扭矩輕,密封(fēng)性能好;
2、蝶闆、閥杆(gǎn)采用無銷設計連(lián)接,連接可靠性好(hǎo);
3、蝶闆整體采用包(bao)膠硫化,耐腐蝕性(xing)好;
4、閥門與管道的(de)連接采用卡箍連(lián)接形式,安裝方便(biàn)📐、快速;
5、閥門的驅動(dong)方式多樣化,可配(pèi)置把手操作、蝸輪(lún)蝸杆🈲操作⚽、電動及(jí)氣動操作方式。
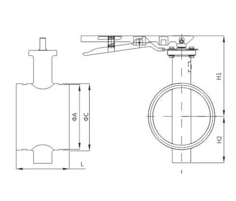
主要外形(xing)連接尺寸
|
|
Φ A |
Φ C |
L |
H1 |
H2 |
|
|
|
50 |
|
60.3 |
88 |
136 |
|
|
ZSDF 8-Q-65-16-D81X |
72.3 |
76.1 |
|
142 |
70 |
|
|
ZSDF 8-Q-80-16-D81X |
80 |
84.9 |
88.9 |
96 |
149 |
79 |
|
ZSDF 8-Q-100-16-D81X |
100 |
110.1 |
114.3 |
115 |
173 |
94 |
|
125 |
135.5 |
139.7 |
115 |
|
108 |
|
|
|
|
160.8 |
|
132 |
201 |
蘇(sū)公網安備 32010202011315号